99视频99,一级片大片,久久一卡二卡,一级欧美黄色大片,91精品国产综合久久福利不卡,https://www色.com,一级黄色录像片子

搜索

您當前位置:首頁 > 產品展示 > RGB系列產品

產品展示
SMD3528全彩支架(白膠+黑膠)

詳細信息

機械性質:

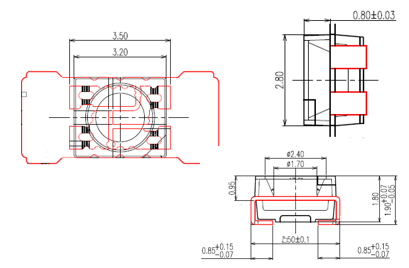
尺 寸 : 3.5[L] x 2.8[W] x 1.9[H] (mm)
板金材質 : ALLOY 194
塑膠材質 : PPA
接 腳 數 : 4 Pin
電 鍍 : 全鍍銀
電鍍膜厚 : 功能區2.54μm [100μm-Inch]
料片尺寸 : 144.0[L] x 72.0[W] x 0.15[T] (mm)
單片顆數 : 288 Pcs

物理性質:

發 光 角 : 48°
熱傳導率 : 0.625 (cal/cm/sec/C)
熱膨脹系數 : 16.3 (10°/C)
電氣傳導率 : 65 (IACS%)
縱彈性系數 : 12300 (kgf/mm2)


產品應用:

背光板
信號燈
閃光燈
顯示屏